Beschrijving
De pomp is volledig zelfaanzuigend en levert een capaciteit van 18,9 liter per minuut, waardoor het systeem snel en efficiënt werkt. De roestvaststalen waaier zorgt voor duurzaamheid en betrouwbare prestaties, zelfs bij intensief gebruik in maritieme omstandigheden.
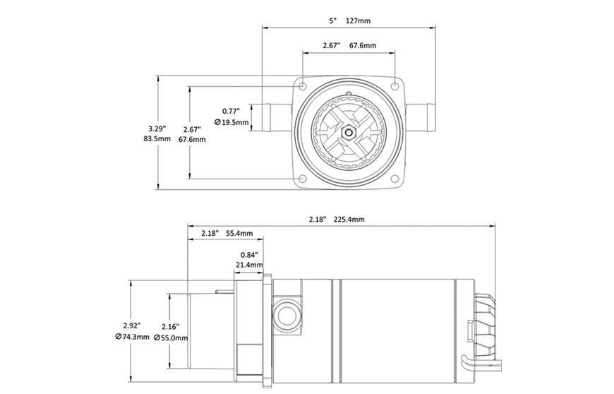
Dankzij de compacte bouw en eenvoudige aansluiting is deze elektrische toiletpomp geschikt voor installatie in bestaande toiletsystemen aan boord. Het robuuste ontwerp en de stille werking maken hem ideaal voor zowel pleziervaart als professioneel gebruik.
Belangrijkste Voordelen
- Combinatie van spoelpomp en afvoerpomp
- Versnijdmechanisme voor efficiënte afvoer
- Capaciteit: 18,9 L/min
- Zelfaanzuigend systeem
- Bediening met één druk op de knop
- RVS waaier voor lange levensduur
- Compact en ruimtebesparend ontwerp
- Betrouwbare werking in maritieme omgeving
Technische Gegevens
- Model: SFMTP2-01
- Spanning: 24 volt
- Capaciteit: 18,9 L/min (5,0 GPM)
- Stroomverbruik: 10 A
- Aansluiting: 20 mm
- Type: elektrische toiletpomp met versnijdmechanisme
- Waaier: roestvast staal





Beoordelingen
Er zijn nog geen beoordelingen.